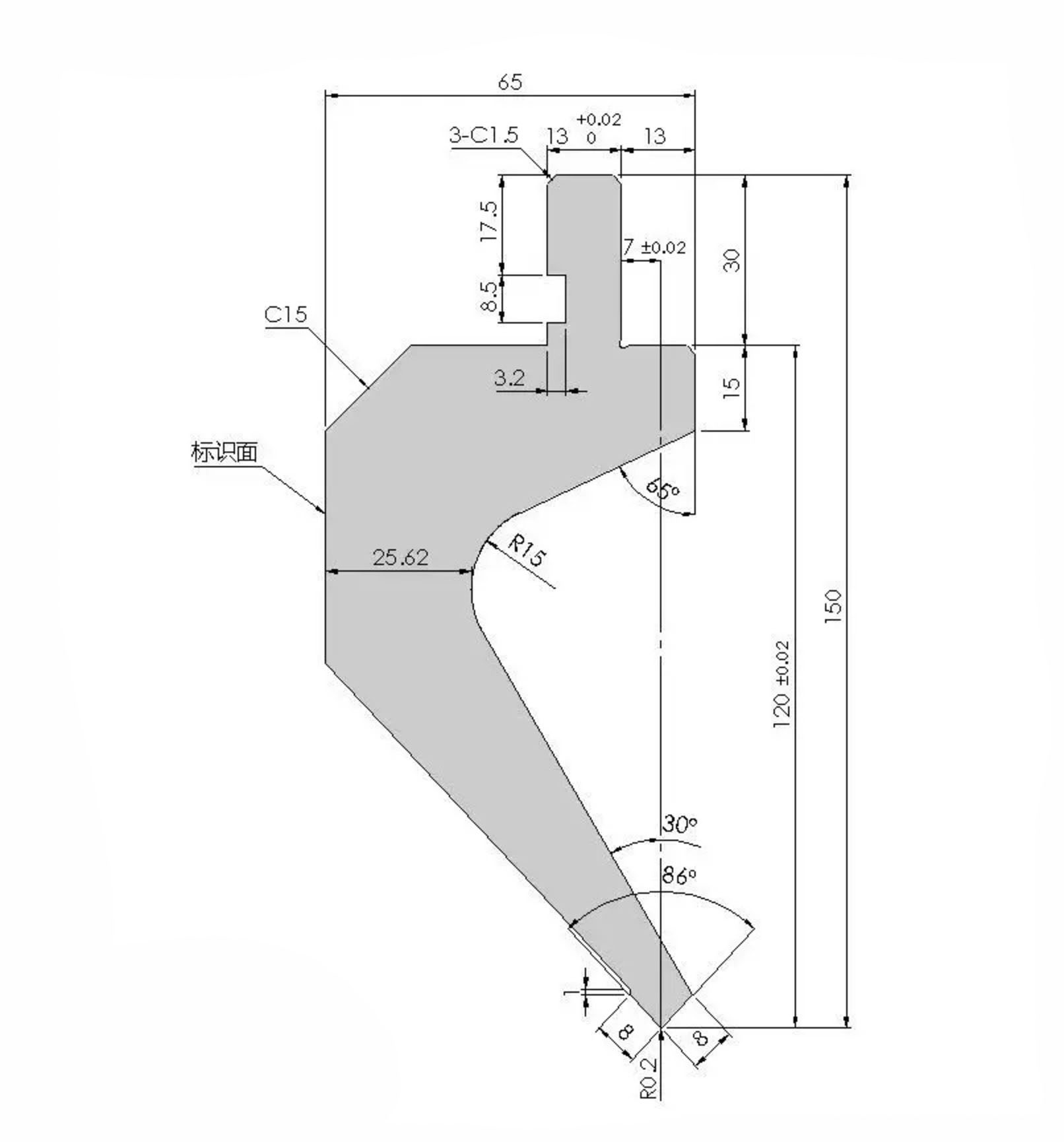
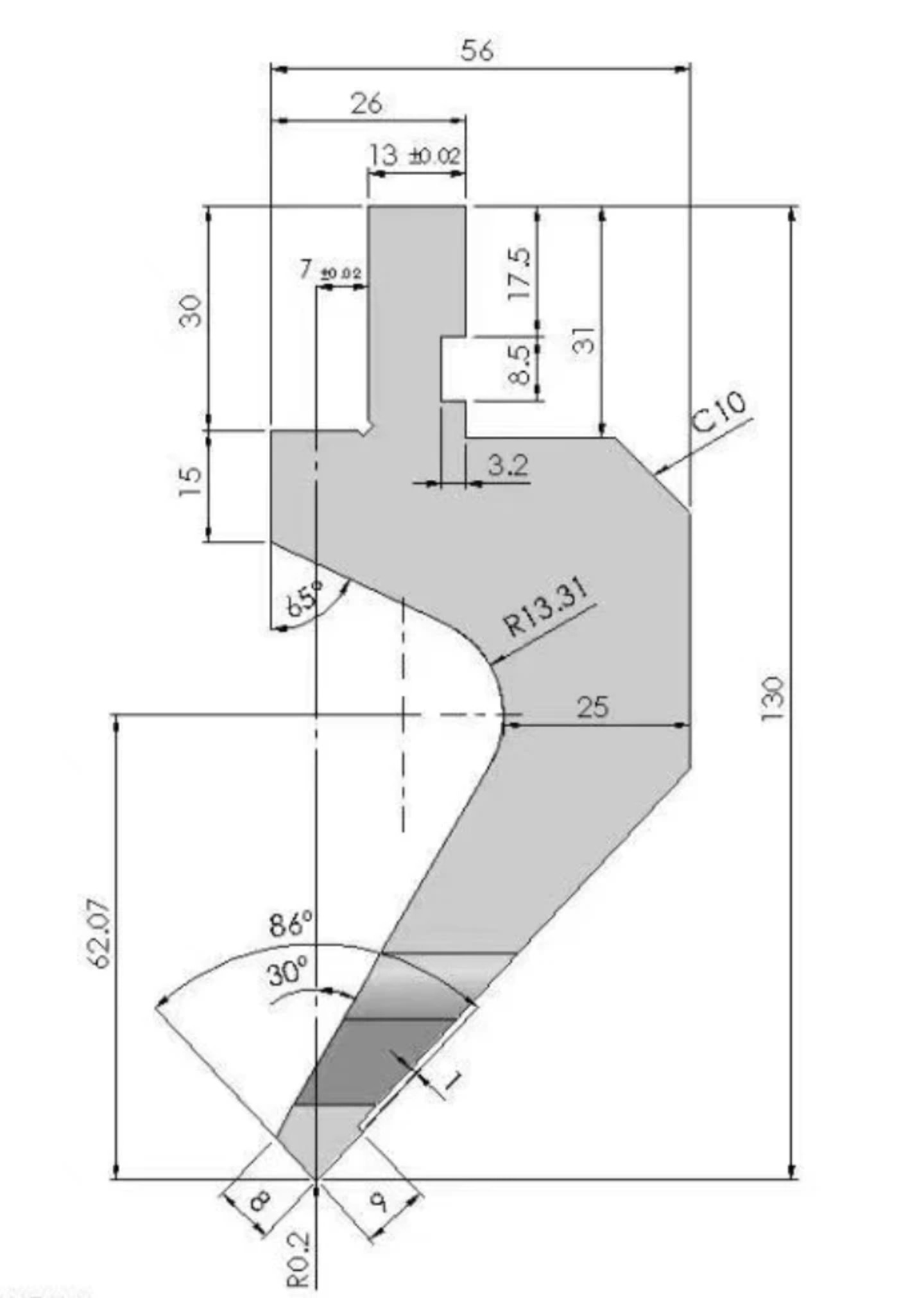
折弯机模具是与折弯机配合使用的专用成型模具。它们是金属板料弯曲成形的核心工作部件,主要由上模和下模两个关键部件组成。通过折弯机滑块与工作台的相对运动,使金属板材在上下模具之间受到挤压,产生变形,将其弯曲成指定角度、形状、尺寸(如90°直角、U型、V型等)的工件。广泛应用于机械制造、钣金加工、五金制品生产、橱柜制造等钣金加工领域。
:安装在折弯机的活动滑块上,是主动施压元件。其形状(标准直边、尖角、鹅颈、圆弧等)决定了工件弯曲部分的外轮廓;
:固定在折弯机工作台上,为固定支撑部件,主要采用V形槽(V型槽)为结构。 V型槽的宽度直接影响板料的弯曲力、圆角尺寸和成形效果;
:将金属板材放在下模上,滑块带动上模垂直下压。板材被迫贴合上模和下模的轮廓并发生不可逆的塑性变形。达到预设的行程和压力后,弯曲成型完成。成型后,上模返回原位,即可取出工件。
:主要材质为合金结构钢(如42CrMo),经过回火、淬火等热处理工艺加工而成,保证有足够的硬度(一般HRC45-HRC50)、承载能力和耐磨性,以承受弯曲过程中巨大的挤压力和摩擦力;
:根据工件的不同弯曲要求(角度、形状、尺寸、材料厚度),凸模可定制成圆弧、鹅颈、不规则形状等特殊形状,凹模可加工成不同宽度的V型槽(如8mm、16mm、24mm)或特殊槽型;
:模具的规格(高度、柄型、安装尺寸)必须与折弯机的锁模系统、滑块行程、额定吨位完全兼容;成型尺寸必须符合工件图纸要求,以保证弯曲精度和合格率;
:常规折弯机模具有通用标准规格(匹配Amada、Trumpf、Wille等常见折弯机品牌),可直接购买使用;可根据企业实际加工需求定制专用模具。
:适用于常规直边折弯,应用最广泛;
:适合小角度弯曲或回弹补偿,满足高精度尖角成型的需要;
:适合U型槽和深通道工件加工,可避开工件已经弯曲的边缘,防止干涉;
:适用于圆弧及圆角弯曲成型,如圆弧形工件及过渡圆角加工;
:根据特殊工件图纸定制,适合不规则形状的弯曲要求。
:适用于低碳钢、镀锌钢等普通板材,性价比高;
:加厚设计,高硬度材质,适用于不锈钢、高强度合金板等难弯材料;
:经过精密加工,可防止薄材料弯曲过程中的翘曲、变形和划伤。
Amada/Promecam型:兼容Amada系列折弯机夹紧系统;
Trumpf/Wila型:兼容Trumpf和Wila系列折弯机的夹紧系统;
新标准型:通用接口,适用于大部分国产折弯机。
选择正确的折弯机模具对于确保折弯精度、生产效率和模具使用寿命至关重要。
选择折弯机工装的关键是材料特性、折弯工艺、工件要求、设备参数的匹配,缺一不可。以下五个关键点涵盖了整个选型过程的所有关键技术方面,确保折弯精度和模具寿命。初学者可以直接参考,进行精准选择。
折弯机工装的选择首先要与被加工材料的拉伸强度和回弹特性相匹配,这是保证折弯角度准确的核心。普通低碳钢回弹极小;弯曲至90°时,可用86°~88°冲头补偿。不锈钢和高强度钢有明显的回弹,需要进行85°冲头或有针对性地调整冲头角度,以避免折弯后工件出现角度偏差。
材料厚度直接决定模具的受力状况和弯曲效果。薄、中厚、厚材料需要相应的模具规格,以避免模具损坏或工件成型缺陷,满足Google上“材料厚度与折弯机工装的匹配”等长尾关键词搜索的需求。折弯机模具常用的材料是42CrMo,经过回火和表面感应淬火后,其硬度通常达到HRC 45-50。具有优异的强度和韧性,有效防止高压下断裂。以下是其国际标准对照表。
“8x原则”是折弯机模具选型的核心行业公式:“下模V型缺口宽度V=8×材料厚度T”。作为理想条件下的最佳选型标准,适用于大多数中厚板(3-8mm)的折弯,确保折弯圆角光滑,避免工件开裂。
并非所有材料都严格遵循8x原则; V型缺口宽度需根据材料厚度灵活调整:对于薄板(T<3mm),可减小至V=6T,以获得更小的圆角半径;对于厚板(T>8mm),需增加至V=10T~12T,以减少弯曲力,防止爆模和工件内侧开裂。
选型时,必须保证模具能承受折弯机的实际输出压力;严禁超载,否则会造成爆模和设备损坏。压力吨位的计算需要结合材料厚度、材料抗拉强度、下模V型缺口宽度,经过精确计算后选择具有相应承载能力的模具。
折弯机的实际输出吨位必须小于模具的额定承载能力,并预留一定的安全裕度(建议10%-15%)。对于弯曲厚板和高强度钢材,应选用加厚模具或分段模具,以分散弯曲压力,延长模具使用寿命。
冲头形状必须与工件的最终形状完美匹配,以避免干涉或成型缺陷。不同的冲床对应不同的折弯需求:标准冲床适用于常规直边折弯,应用范围最广;尖角冲头适用于小角度弯曲或回弹补偿;鹅颈冲头适合加工U型槽和深通道,因为它们可以避免工件已经弯曲的边缘。
对于圆形或不规则形状的工件,应选择圆弧冲床或定制的不规则冲床。结合准确的工件图纸,模具轮廓必须与工件完全配合,才能保证弯曲成形精度。
模柄类型必须与折弯机的夹紧系统完全兼容。常见的刀柄类型包括 Amada/Promecam、New Standard 和 Trumpf/Wila。选型前应确认设备装夹方式,避免出现模具安装不牢、定位偏差等问题。
模具高度必须与折弯机的滑块行程和工作台开口高度相匹配。模具过高会导致滑块行程不足,无法完成弯曲;模具过低会影响工件装卸,降低生产效率。同时应确认模具安装接口与设备的兼容性,确保安装方便、定位准确。
国家/标准组织 | 标准代码 | 对应年级 |
中国(英国) | GB/T 3077 | 42CrMo或42CrMo4 |
美国(AISI/ASTM) | ASTM A29 | 4140 |
国际标准化组织 (ISO) | ISO 683-1 | 42CrMo4 |
德国 (DIN) | DIN EN 10083 | 1.7225(或42CrMo4) |
日本 (JIS) | JIS G4105 | 单片机440 |
英国(学士) | BS970 | 708M40(EN19) |








折弯机模具是与折弯机配合使用的专用成型模具。它们是金属板料弯曲成形的核心工作部件,主要由上模和下模两个关键部件组成。通过折弯机滑块与工作台的相对运动,使金属板材在上下模具之间受到挤压,产生变形,将其弯曲成指定角度、形状、尺寸(如90°直角、U型、V型等)的工件。广泛应用于机械制造、钣金加工、五金制品生产、橱柜制造等钣金加工领域。
:安装在折弯机的活动滑块上,是主动施压元件。其形状(标准直边、尖角、鹅颈、圆弧等)决定了工件弯曲部分的外轮廓;
:固定在折弯机工作台上,为固定支撑部件,主要采用V形槽(V型槽)为结构。 V型槽的宽度直接影响板料的弯曲力、圆角尺寸和成形效果;
:将金属板材放在下模上,滑块带动上模垂直下压。板材被迫贴合上模和下模的轮廓并发生不可逆的塑性变形。达到预设的行程和压力后,弯曲成型完成。成型后,上模返回原位,即可取出工件。
:主要材质为合金结构钢(如42CrMo),经过回火、淬火等热处理工艺加工而成,保证有足够的硬度(一般HRC45-HRC50)、承载能力和耐磨性,以承受弯曲过程中巨大的挤压力和摩擦力;
:根据工件的不同弯曲要求(角度、形状、尺寸、材料厚度),凸模可定制成圆弧、鹅颈、不规则形状等特殊形状,凹模可加工成不同宽度的V型槽(如8mm、16mm、24mm)或特殊槽型;
:模具的规格(高度、柄型、安装尺寸)必须与折弯机的锁模系统、滑块行程、额定吨位完全兼容;成型尺寸必须符合工件图纸要求,以保证弯曲精度和合格率;
:常规折弯机模具有通用标准规格(匹配Amada、Trumpf、Wille等常见折弯机品牌),可直接购买使用;可根据企业实际加工需求定制专用模具。
:适用于常规直边折弯,应用最广泛;
:适合小角度弯曲或回弹补偿,满足高精度尖角成型的需要;
:适合U型槽和深通道工件加工,可避开工件已经弯曲的边缘,防止干涉;
:适用于圆弧及圆角弯曲成型,如圆弧形工件及过渡圆角加工;
:根据特殊工件图纸定制,适合不规则形状的弯曲要求。
:适用于低碳钢、镀锌钢等普通板材,性价比高;
:加厚设计,高硬度材质,适用于不锈钢、高强度合金板等难弯材料;
:经过精密加工,可防止薄材料弯曲过程中的翘曲、变形和划伤。
Amada/Promecam型:兼容Amada系列折弯机夹紧系统;
Trumpf/Wila型:兼容Trumpf和Wila系列折弯机的夹紧系统;
新标准型:通用接口,适用于大部分国产折弯机。
选择正确的折弯机模具对于确保折弯精度、生产效率和模具使用寿命至关重要。
选择折弯机工装的关键是材料特性、折弯工艺、工件要求、设备参数的匹配,缺一不可。以下五个关键点涵盖了整个选型过程的所有关键技术方面,确保折弯精度和模具寿命。初学者可以直接参考,进行精准选择。
折弯机工装的选择首先要与被加工材料的拉伸强度和回弹特性相匹配,这是保证折弯角度准确的核心。普通低碳钢回弹极小;弯曲至90°时,可用86°~88°冲头补偿。不锈钢和高强度钢有明显的回弹,需要进行85°冲头或有针对性地调整冲头角度,以避免折弯后工件出现角度偏差。
材料厚度直接决定模具的受力状况和弯曲效果。薄、中厚、厚材料需要相应的模具规格,以避免模具损坏或工件成型缺陷,满足Google上“材料厚度与折弯机工装的匹配”等长尾关键词搜索的需求。折弯机模具常用的材料是42CrMo,经过回火和表面感应淬火后,其硬度通常达到HRC 45-50。具有优异的强度和韧性,有效防止高压下断裂。以下是其国际标准对照表。
“8x原则”是折弯机模具选型的核心行业公式:“下模V型缺口宽度V=8×材料厚度T”。作为理想条件下的最佳选型标准,适用于大多数中厚板(3-8mm)的折弯,确保折弯圆角光滑,避免工件开裂。
并非所有材料都严格遵循8x原则; V型缺口宽度需根据材料厚度灵活调整:对于薄板(T<3mm),可减小至V=6T,以获得更小的圆角半径;对于厚板(T>8mm),需增加至V=10T~12T,以减少弯曲力,防止爆模和工件内侧开裂。
选型时,必须保证模具能承受折弯机的实际输出压力;严禁超载,否则会造成爆模和设备损坏。压力吨位的计算需要结合材料厚度、材料抗拉强度、下模V型缺口宽度,经过精确计算后选择具有相应承载能力的模具。
折弯机的实际输出吨位必须小于模具的额定承载能力,并预留一定的安全裕度(建议10%-15%)。对于弯曲厚板和高强度钢材,应选用加厚模具或分段模具,以分散弯曲压力,延长模具使用寿命。
冲头形状必须与工件的最终形状完美匹配,以避免干涉或成型缺陷。不同的冲床对应不同的折弯需求:标准冲床适用于常规直边折弯,应用范围最广;尖角冲头适用于小角度弯曲或回弹补偿;鹅颈冲头适合加工U型槽和深通道,因为它们可以避免工件已经弯曲的边缘。
对于圆形或不规则形状的工件,应选择圆弧冲床或定制的不规则冲床。结合准确的工件图纸,模具轮廓必须与工件完全配合,才能保证弯曲成形精度。
模柄类型必须与折弯机的夹紧系统完全兼容。常见的刀柄类型包括 Amada/Promecam、New Standard 和 Trumpf/Wila。选型前应确认设备装夹方式,避免出现模具安装不牢、定位偏差等问题。
模具高度必须与折弯机的滑块行程和工作台开口高度相匹配。模具过高会导致滑块行程不足,无法完成弯曲;模具过低会影响工件装卸,降低生产效率。同时应确认模具安装接口与设备的兼容性,确保安装方便、定位准确。
国家/标准组织 | 标准代码 | 对应年级 |
中国(英国) | GB/T 3077 | 42CrMo或42CrMo4 |
美国(AISI/ASTM) | ASTM A29 | 4140 |
国际标准化组织 (ISO) | ISO 683-1 | 42CrMo4 |
德国 (DIN) | DIN EN 10083 | 1.7225(或42CrMo4) |
日本 (JIS) | JIS G4105 | 单片机440 |
英国(学士) | BS970 | 708M40(EN19) |








